Contact us at 732-685-0675 to schedule a Consultation!

Contact us at 732-685-0675 to schedule a Consultation!

NM Engineering is a consulting firm provide engineering and drafting services.

Welcome to NM Engineering

DESIGN PROJECTS

CONSTRUCTION MANAGEMENT

Services

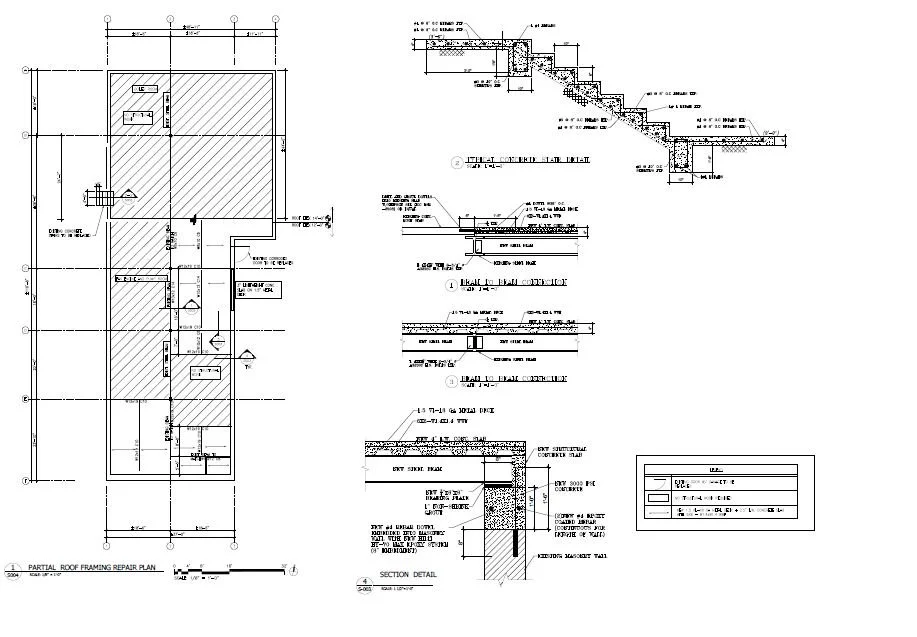
  • Structural Design

  • Retaining Walls Design

  • CAD Drafting

  • Building Restoration

  • Sidewalk Repair

  • Roof Top Unit Anchorage

  • Structural Inspection and Observation

Welcome to NM Engineering

At NM Engineering, we are passionate to help our clients with all engineering services.

NM Engineering experience in all stages of projects.

Thank you for visiting our consulting site. We are excited to hear from you and help you with all your engineering needs.